您所在的位置:首页 - 科学研究 - 科研动态

科研动态

一种恒流/恒压输出自切换的电场耦合式无线电能传输系统

论文题目:一种恒流/恒压输出自切换的电场耦合式无线电能传输系统

录用期刊/会议:电工技术学报 (EI中文期刊)

原文DOI:10.19595/j.cnki.1000-6753.tces.242269

录用/见刊时间:2025年3月24日

作者列表

1) 吉   莉 KY开元集团官网入口(北京)人工智能学院 电子信息工程系教师

2) 张家琦 KY开元集团官网入口(北京)人工智能学院 新一代电子信息技术专业 硕22

3) 张江洪 KY开元集团官网入口(北京)人工智能学院 信息与通信工程专业 硕23

摘要:

针对旋转导向设备使用电场耦合式无线电能传输(CPT)技术为电池负载供电的应用场景,本文提出一种恒流/恒压自切换的CPT系统。该系统无需任何额外的主动控制即可实现自动、平滑的从恒流输出到恒压输出的切换,同时系统在两种输出模式下均工作于零相位角(ZPA)状态。本文首先给出恒流/恒压自切换CPT系统的拓扑结构,建立耦合结构等效模型,并对耦合结构模型和物理参数进行设计;然后,详细分析系统恒流/恒压的输出特性和工作原理;最后搭建实验样机,验证所提方法与系统结构的有效性,实验中实现了1.5A的恒流输出和60V的恒压输出,最高效率为90%。

背景与动机:

在用于石油钻井开发的旋转导向设备中,常采用导电滑环的方式从旋转的钻杆向非旋转的外部套管上传输电能,为位于套管上的控制测量单元的电池充电,延长控制测量单元在井下的工作时长。然而这种方式的导电滑环在钻井过程中面临着旋转摩擦磨损、密封易失效、滑环受腐蚀等问题,降低了电能传输的可靠性,限制了滑环的使用寿命。

电场耦合式无线电能传输技术为解决旋转导向设备电能传输的低可靠性问题提供了一条有效的途径。该技术相较于磁场方式具有更好的抗电磁干扰性能,在井下复杂电磁干扰环境中能够保持输出的稳定。然而在设计CPT系统时,系统输出需满足电池先恒流后恒压的充电需求,当前常采用的频率切换或开关切换的方法控制输出模式,这些方法都依赖于精准的负载电压检测与主动控制,可靠性较差。

鉴于目前的研究问题,本文提出了一种恒流/恒压输出自切换的CPT系统,该系统随着电池等效负载的升高从恒流输出模式自动过渡至恒压输出模式,无需任何额外的控制方法,具有高鲁棒性。

设计与实现:

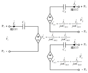
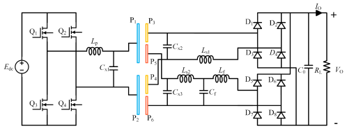
构建了如图1所示的恒流/恒压输出自切换的CPT系统,建立了图2所示的单发射双接收型电场耦合结构受控电压源等效模型,并设计了图3所示的副边解耦型电场耦合结构,通过对接收极板圆心角的参数设计,实现了副边两组网络的相互解耦。

image.png 

图1 恒流/恒压输出自切换CPT系统

image.png 

图2单发射双接收结构受控电压源等效模型

image.png 

图3副边解耦型电场耦合结构

实验结果及分析:

本文按照图1结构搭建了一套CPT系统,如图4所示,系统谐振频率为1MHz。在原边全桥逆变器由四个碳化硅mosfet(IMZ65R048M1)构成,副边全桥整流器由IDW40G120C5B二极管构成。

image.png 

图4 恒流/恒压输出自切换CPT系统是实验装置

图5为不同负载下系统输出电流和输出电压变化情况,随负载增加,系统输出从恒流模式逐渐过渡至恒压模式。图6为系统输出功率和传输效率与负载曲线,在负载变化情况下系统能够保持高效稳定输出。

image.png 

图5 输出电压和输出电流随负载变化的曲线

image.png 

图6 输出功率和传输效率随负载变化曲线

结论:

本文提出了一种应用于旋转导向设备中电池充电场景的CPT系统,该系统采用单输入双输出的电路结构,无需额外的控制方法和相应电路即可自动实现输出模式切换,简化了控制方案,提高了系统的可靠性。针对该系统,本文首先提出了单发射双接收电场耦合结构的受控电压源等效模型,大大简化了耦合结构补偿分析。其次,针对单发射双接收的电场耦合结构,设计了一种旋转工况应用的副边解耦型电场耦合结构模型,通过物理参数设计的方法消除了两组接收极板间的互耦合。然后,本文应用所提出的耦合结构等效模型对该系统输出特性进行了理论分析。最后搭建了实验装置进行验证,系统能够随负载值增加从恒流输出模式自动过渡至恒压输出模式,系统传输功率为86W时,最大效率达到90%。

作者简介:

吉莉,副教授,博士生导师。博士毕业于中国科学院大学,长期从事无线电能传输技术、能源互联网及智能物联网等相关研究工作,主持2项国家自然科学基金项目、1项国家863课题和2项省部级基金,作为技术负责人主持多项国家863项目、国家科技支撑项目。科技部国家第六次技术预测工作能源领域总体组专家,IEEE PES储能系统与装备专委会常务理事、中国电源学会女科学家工作委员会委员、中国电源学会无线电能传输技术及装置专委会委员。《IET Renewable Power Generation》、《CSEE JPES》等期刊的Guest Editor,以第一作者/通信作者在《IEEE Transactions on Industrial Electronics》、《IEEE Transactions on Power Electronics》、《IEEE Journal of Emerging and Selected Topics in Power Electronics》、《Renewable Energy》等期刊上发表SCI/EI期刊论文30余篇,第一作者获授权/受理发明专利/软件著作权10余项,编写中文著作3部,获省部级二等奖2项。

联系方式:jili@cup.edu.cn