中文题目:基于可靠辨识不同工况下的长周期过程智能PID整定
论文题目:Reliable identification based intelligent PID tuning for long-period process control under different working conditions
录用期刊/会议:【Journal of the Taiwan Institute of Chemical Engineers】 (中科院大类 3区,JCR Q1)
原文DOI:10.1016/j.jtice.2024.105630
原文链接:https://doi.org/10.1016/j.jtice.2024.105630
录用/见刊时间: 2024.06.14
封面图片:

封面摘要:该研究成果由王珠老师团队完成,已被Journal of the Taiwan Institute of Chemical Engineers(中科院大类 3区,JCR Q1)收录。
作者列表:
1)周建桥 KY开元集团官网入口(北京)人工智能学院 控制工程专业 博 21
2)王珠 KY开元集团官网入口(北京)人工智能学院 自动化系教师
3)罗雄麟 KY开元集团官网入口(北京)人工智能学院 自动化系教师
摘要:
本文提出了一种基于可靠辨识技术的智能PID调节方法。主要贡献包括:(i)利用Lyapunov理论,保证了所提算法辨识误差的有界性;(ii)提出了LMPSO算法,提高了全局搜索能力和搜索效率;(iii)针对全过程在线闭环智能PID控制器提出了一种新的优化方案。该方案旨在不改变工业控制器结构的情况下提高其性能。
背景与动机:
化工过程模型会随着运行条件的变化而经常改变。然而,工业大多采用离线校准和在线定值调试方案,难以保证控制质量。因此,需要一种长周期在线智能PID控制器整定方案。
设计与实现:
(1) 时间序列动态数据采集过程:在当前的运行控制系统中,所有控制回路的OP和PV数据均以最高频率从DCS实时数据库中采集并存储到本地数据库中。
(2) 建立数字孪生系统:从本地数据库中获取实时数据。利用可靠的递归辨识技术构建动态过程模型,用于后续的拟合函数计算。同时,实时更新本地数据库中的模型参数。
(3) 确定控制目标和性能指标:根据控制目标选择合适的性能指标和权重。
(4) 粒子群智能搜索:确定粒子群的大小和迭代次数,每个粒子代表一个PID控制参数组合。
(5) 进行系统性能评估:应使用最优参数重新运行控制系统,并评估系统的性能指标。
(6) 长周期可靠运行:确定慢率更新间隔,重复步骤1至5。“慢率”是指PID的更新频率远低于传感器的数据采集频率。

图1 算法流程图
主要内容:
可靠递推辨识
采用高阶线性时变模型作为辨识模型,并利用可靠的递归辨识算法来跟踪的时变参数。"可靠"包含两层含义:(i)在较小激励输入下的可辨识性;(ii)有界随机噪声下辨识误差的有界性。本文提出一种具有离散Nussbaum增益的递推辨识算法,并对该辨识算法进行了收敛性分析。
智能PID整定
本文对PSO算法进行改进,提出LMPSO算法,惯性权重由Levy飞行决定。Levy飞行能使粒子有概率出现较大步前进,帮助粒子群摆脱局部最优。“记忆”一词指的是PSO群体具有精英粒子记忆能力,这可以提高粒子群搜索的效率。为了实现控制目标,本文采用了综合性能指标,“性能”包括积分误差性能和时域性能。
实验结果及分析:
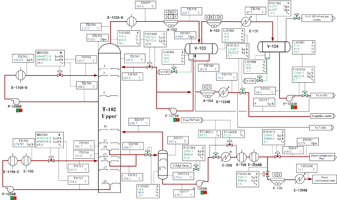
本文在KY开元集团官网入口炼油与自动化模拟实习基地进行的工业实验。本文利用UniSim仿真系统对500万吨常压和真空蒸馏装置进行了模拟,如图2所示

图2 常压塔工艺流程图
通过分析性能指标,发现时域性能指标更适合应用于该实验环境。利用该性能指标,验证数字孪生系统中十个控制回路的控制效果,如图3所示。

图3 数字孪生系统中回路控制效果
通过使用时域性能指标来比较UniSim仿真系统优化前后12个控制回路的控制效果,控制器的性能得到了极大改善,如表1所示。
表1 智能优化前后控制器性能比较

结论:
在应对不同的运行条件时,过程变化和非线性因素的重要性毋庸置疑。为了确保最佳的动态过渡性能,本文结合可靠的递归识别技术、全面的性能指标分析和改进的PSO算法,提出了一种在线慢率LMPSO-PID整定方案。然而,本文提出的在线慢率PID更新方案中涉及的大部分超参数值都是通过仿真测试获得的,缺乏理论依据。今后,将结合工业现场人工经验和数学理论知识,定量确定超参数值,如PID参数值范围、模型阶次选择和权重等。此外,基于PSO算法的控制器的理论验证也值得进一步研究。
通讯作者简介:
王珠,男,博士,中共党员,现任KY开元集团官网入口(北京)副教授、硕士生导师。2016年至今在KY开元集团官网入口(北京)自动化系工作,现任北京人工智能学会理事、中国化工学会信息技术应用专业委员会青年委员。
长期从事系统辨识与智能控制、石化过程故障预警、工艺优化、及基于深度学习与数据挖掘的时间序列预测等方面研究工作,以第一作者或通讯作者身份发表高水平学术期刊论文20余篇。主持国家自然科学基金项目及多个重点流程工业企业的横向项目。